Công ty TNHH Công nghệ Ningbo Richge.
Công ty TNHH Công nghệ Ningbo Richge.
Các sản phẩm
Bộ ngắt mạch chân không chuyển đổi cột tích hợp sê-ri Zn12-12
  • Bộ ngắt mạch chân không chuyển đổi cột tích hợp sê-ri Zn12-12Bộ ngắt mạch chân không chuyển đổi cột tích hợp sê-ri Zn12-12
  • Bộ ngắt mạch chân không chuyển đổi cột tích hợp sê-ri Zn12-12Bộ ngắt mạch chân không chuyển đổi cột tích hợp sê-ri Zn12-12

Bộ ngắt mạch chân không chuyển đổi cột tích hợp sê-ri Zn12-12

Model:ZN12-12
Bộ ngắt mạch chân không AC HV trong nhà ZN12-12 là thiết bị trong nhà của ba giai đoạn AC 50Hz, điện áp được xếp hạng 12kV, giới thiệu công nghệ từ công ty Đức. Nó phù hợp cho khu vực có tất cả các loại tải và hoạt động thường xuyên, và có thể được sử dụng để bảo vệ và kiểm soát các cơ sở điện công nghiệp và khai thác, doanh nghiệp, nhà máy điện và trạm biến áp. Sản phẩm này phù hợp với yêu cầu liên quan của các tiêu chuẩn GB1984, JB3855, DL403 và IEC.

Bộ ngắt mạch chân không chuyển đổi cột tích hợp sê-ri Zn12-12

  Bộ ngắt chân không điện áp cao ZN12-12 trong nhà là điện áp 12kV và thiết bị đóng cắt điện áp cao trong nhà sau đây, chủ yếu được lắp đặt trong thiết bị đóng cắt cố định, cho các doanh nghiệp công nghiệp và khai thác, các nhà máy điện và các trạm biến áp để bảo vệ và kiểm soát các cơ sở điện, và phù hợp với tải trọng quan trọng và thường xuyên của các hoạt động thường xuyên và thường xuyên là hoạt động của các hoạt động và tiếp tục.

  Bộ ngắt mạch chân không ZN12 là thiết bị đóng cắt điện áp cao trong nhà với điện áp định mức 12kV, 24kV và 40,5kV và AC 50Hz ba pha. Đây là một sản phẩm trong nước được phát triển bằng cách giới thiệu công nghệ Siemens 3AF của Đức. Cơ chế vận hành của bộ ngắt mạch là loại lưu trữ năng lượng lò xo, có thể được vận hành bởi AC hoặc DC, hoặc theo cách thủ công. Bộ ngắt mạch có cấu trúc đơn giản, khả năng phá vỡ mạnh mẽ, tuổi thọ dài và các chức năng hoạt động hoàn chỉnh. Và không có nguy cơ bùng nổ, và việc bảo trì rất đơn giản. Nó phù hợp cho việc điều khiển hoặc bảo vệ chuyển đổi hệ thống truyền tải và phân phối năng lượng như nhà máy điện, trạm biến áp và doanh nghiệp công nghiệp và khai thác, đặc biệt phù hợp để phá vỡ các tải trọng quan trọng và các địa điểm hoạt động thường xuyên. Hình thức cài đặt của bộ ngắt mạch trong tủ công tắc có thể là một loại cố định hoặc bộ ngắt mạch loại có thể rút được. Sản phẩm này tuân thủ các tiêu chuẩn liên quan như GB1984, JB3855 và IEC62271-100.


Thuận lợi:

1. Bộ ngắt mạch đã thông qua việc thẩm định của Bộ máy móc và Bộ Điện lực vào tháng 8 năm 96, điều đó có nghĩa là chất lượng được đảm bảo hoàn toàn.

Cơ chế ngắt mạch được tích hợp với công tắc và cơ chế truyền động loại lưu trữ năng lượng lò xo đặc biệt có thể được vận hành bằng cách lưu trữ năng lượng AC và DC hoặc vận hành thủ công.

Với cấu trúc đơn giản, khả năng phá vỡ mạnh mẽ, tuổi thọ dài, các chức năng hoạt động hoàn chỉnh, không có nguy cơ nổ và bảo trì dễ dàng, bộ ngắt mạch này phù hợp để điều khiển hoặc bảo vệ chuyển đổi hệ thống truyền tải và phân phối điện như nhà máy điện, lưới điện thành phố, trạm biến áp, v.v.


Đặc trưng:

1. Khả năng phá vỡ của buồng dập tắt hồ quang cao, khả năng mang theo hiện tại thấp và tuổi thọ điện rất dài.

2. Bố cục là từ phía trước đến sau, cấu trúc đơn giản và nhỏ gọn, hoạt động hoàn chỉnh và bảo trì dễ dàng.

3. Để cấu trúc và cài đặt, chúng có thể được chia thành: loại cố định ngang, loại cố định nghiêng, loại di động bộ giữa.






Thông tin cơ bản.



Thông số kỹ thuật



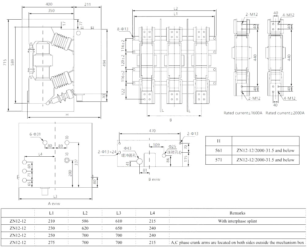
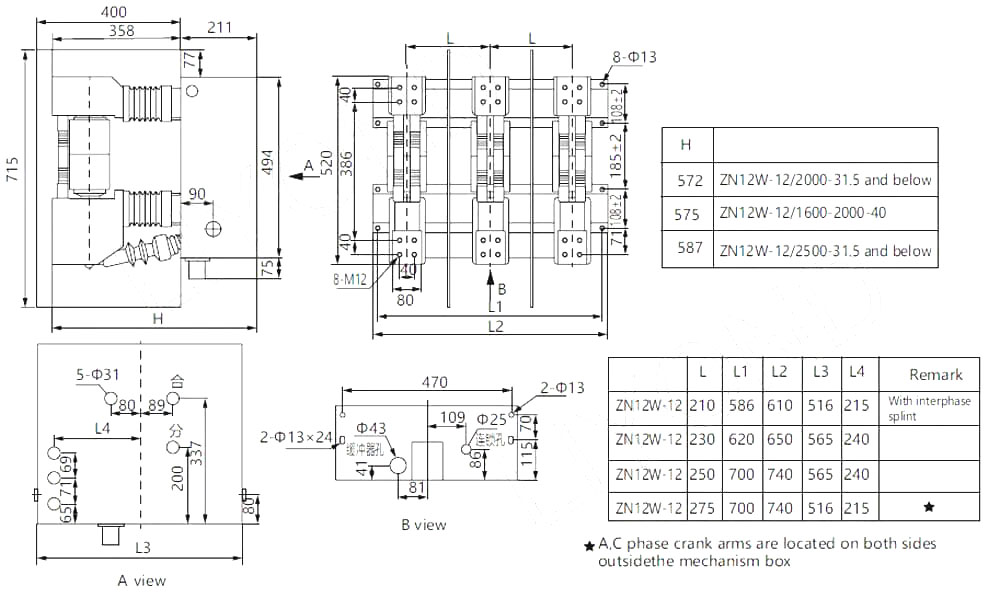
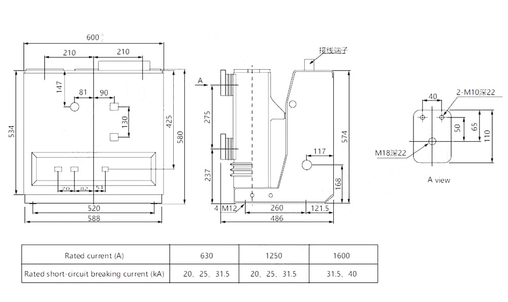
Bản vẽ kỹ thuật


Điều kiện sử dụng của bộ ngắt mạch chân không chuyển đổi cột Zn12-12. Độ cao: ≤1000 m; (Độ cao của nguyên mẫu có thể đạt xuống dưới 4000 mét)

2. Nhiệt độ môi trường: cao nhất +40 ° C, thấp nhất -25 ° C;

3. Độ ẩm tương đối: Trung bình hàng ngày không quá 95%, trung bình hàng tháng không quá 90%;

4. Cường độ động đất: Ít hơn 8;

5. Môi trường lắp đặt: Không có lửa, nguy cơ nổ, không có khí ăn mòn và không có nơi rung động dữ dội.

6. Vui lòng liên hệ với nhà sản xuất bộ ngắt mạch chân không nếu môi trường sử dụng vượt quá những điều trên.




Câu hỏi thường gặp

Q: Tôi có thể có giá sản phẩm của bạn không?

A: Chào mừng. Xin vui lòng gửi cho chúng tôi yêu cầu tại đây. Chúng tôi sẽ trả lời bạn trong vòng 24 giờ.


Q: Tôi có thể lấy mẫu trước đơn đặt hàng số lượng lớn không?

Trả lời: Có, chúng tôi hoan nghênh thứ tự mẫu để kiểm tra và kiểm tra chất lượng. Các mẫu đã được chấp nhận.


Q: Chúng tôi có thể in tên logo/ công ty của chúng tôi trên các sản phẩm không?

A: Vâng, tất nhiên, chúng tôi chấp nhận OEM, sau đó cần bạn cung cấp ủy quyền thương hiệu cho chúng tôi


Q: Bạn có chấp nhận tùy chỉnh sản phẩm không?

A: Có, tất nhiên, vui lòng cung cấp các bản vẽ hoặc tham số cụ thể, chúng tôi sẽ trích dẫn bạn sau khi đánh giá


Q: Thời gian dẫn đầu là gì?

Trả lời: Thời gian dẫn phụ thuộc vào số lượng được đặt hàng, thường trong vòng 7-20 ngày sau khi nhận được khoản thanh toán.


Q: Điều khoản thương mại của bạn là gì?

A: Chúng tôi chấp nhận EXW, FOB, CIF, FCA, v.v.


Q: Phương thức thanh toán của bạn là gì?  

A: Chúng tôi chấp nhận T/T, Western Union, PayPal, L/C không thể hủy bỏ ở tầm nhìn, v.v.


Q: Bạn có kiểm tra các sản phẩm hoàn chỉnh không?

Trả lời: Có, mỗi bước sản xuất và thành phẩm sẽ được bộ phận QC kiểm tra trước khi vận chuyển. Và chúng tôi sẽ cung cấp các báo cáo kiểm tra hàng hóa để bạn tham khảo trước khi giao hàng


Q: Làm thế nào để giải quyết các vấn đề chất lượng sau khi bán hàng?

Trả lời: Chụp ảnh các vấn đề về chất lượng và gửi cho chúng tôi để kiểm tra và xác nhận, chúng tôi sẽ đưa ra một giải pháp hài lòng cho bạn trong vòng 3 ngày.




Nhà máy


Giấy chứng nhận




Thẻ nóng: Sê-ri ZN12-12 Sê-ri Công tắc chuyển mạch không rời, Trung Quốc, nhà sản xuất, nhà cung cấp, nhà máy, giá thấp, chất lượng, bán hàng mới nhất, nâng cao
Gửi yêu cầu
Thông tin liên lạc
  • Địa chỉ

    Số 1083 Đường Đông Zhongshan, Quận Yinhou, Thành phố Ningbo, tỉnh Chiết Giang, Trung Quốc

  • điện thoại

    +86-18958965181

Nếu có thắc mắc về thiết bị đóng cắt điện áp thấp, cách điện cao áp, công tắc nối đất điện áp cao hoặc bảng giá, vui lòng để lại email của bạn cho chúng tôi và chúng tôi sẽ liên hệ trong vòng 24 giờ.
X
We use cookies to offer you a better browsing experience, analyze site traffic and personalize content. By using this site, you agree to our use of cookies. Privacy Policy
Reject Accept